[加油加油]
收藏TA需扫码在手机上打开微
主页后点击更新提醒
最新内容 29
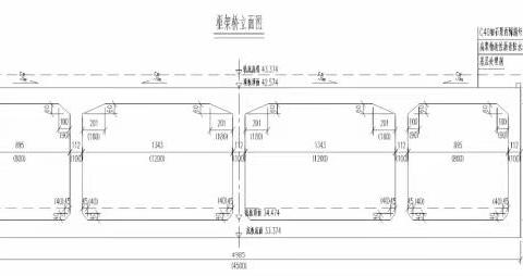
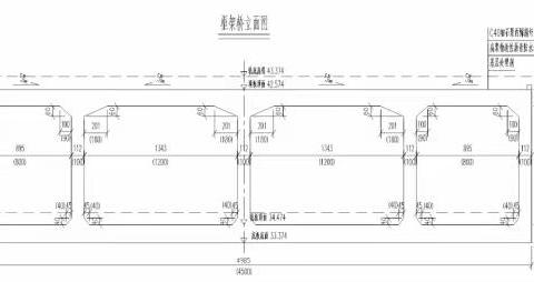
元氏纬四路改建下穿京广铁路框架桥工程1月10日工程日报
2023-01-10 539阅读
元氏纬四路改建下穿京广铁路框架桥工程1月9日工程日报
2023-01-09 487阅读
元氏纬四路改建下穿京广铁路框架桥工程1月8日工程日报
2023-01-08 502阅读
元氏纬四路改建下穿京广铁路框架桥工程1月7日工程日报
2023-01-07 461阅读
元氏纬四路改建下穿京广铁路框架桥工程1月6日工程日报
2023-01-06 465阅读
元氏纬四路改建下穿京广铁路框架桥工程1月5日工程日报
2023-01-05 386阅读
元氏纬四路改建下穿京广铁路框架桥工程1月4日工程日报
2023-01-04 520阅读
元氏纬四路改建下穿京广铁路框架桥工程1月3日工程日报
2023-01-03 553阅读
元氏纬四路改建下穿京广铁路框架桥工程1月2日工程日报
2023-01-02 550阅读
元氏纬四路改建下穿京广铁路框架桥工程1月1日工程日报
2023-01-01 2064阅读
元氏纬四路改建下穿京广铁路框架桥工程12月31日工程日报
2022-12-31 646阅读
元氏纬四路改建下穿京广铁路框架桥工程12月30日工程日报
2022-12-30 780阅读
元氏纬四路改建下穿京广铁路框架桥工程12月28日工程日报
2022-12-28 41阅读
元氏纬四路改建下穿京广铁路框架桥工程12月27日工程日报
2022-12-27 302阅读
元氏纬四路改建下穿京广铁路框架桥工程12月26日工程日报
2022-12-26 539阅读
元氏纬四路改建下穿京广铁路框架桥工程12月25日工程日报
2022-12-25 497阅读
元氏纬四路改建下穿京广铁路框架桥工程12月24日工程日报
2022-12-24 417阅读
元氏纬四路改建下穿京广铁路框架桥工程12月23日工程日报
2022-12-23 507阅读
元氏纬四路改建下穿京广铁路框架桥工程12月22日工程日报
2022-12-22 530阅读
元氏纬四路改建下穿京广铁路框架桥工程12月21日工程日报
2022-12-21 632阅读